Горячее водоснабжение
08.01.2016
Платить напрямую без посредников.
Без переплаты.
Как рассчитывается отопление в программном комплексе и в счетах за ЖКУ.
Отопление с общедомовым учетом и без: как считают его в счетах ЖКУ.
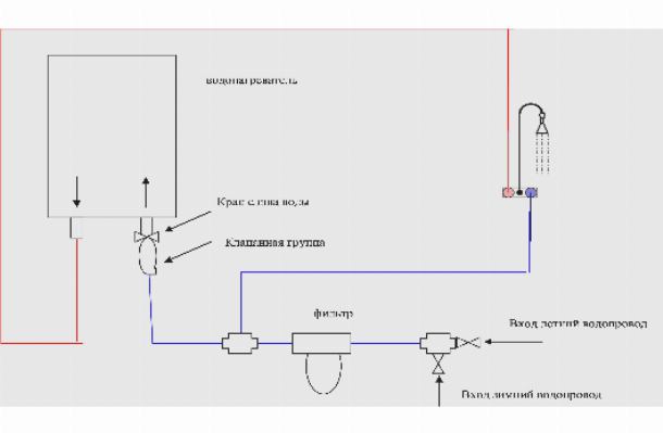
Если вы желаете сохранить семейный бюджет и своими силами организовать водоснабжение на дачном участке, необходимо изучить видеоуроки, предлагаемые профессионалами.









В этом разделе мы смогли собрать грамотную подборку проверенных видеороликов, которые отражают принцип монтажа системы водоснабжения.